الكهرباء تنفذ موصلات أبراج سلوا/ شرق أدفو بالقوة الجبرية
نشرت جريدة الوقائع المصرية في عددها رقم 39، الصادر في 17 فبراير 2021، قرار وزارة الكهرباء والطاقة المتجددة رقم 5 لسنة 2021، بشأن تنفيذ وإقامة وشد موصلات أبراج للخط الكهربائي سلوا/ شرق إدفو محافظة أسوان بالقوة الجبرية وذلك على الأرض التى يمر بها هذا الخط.
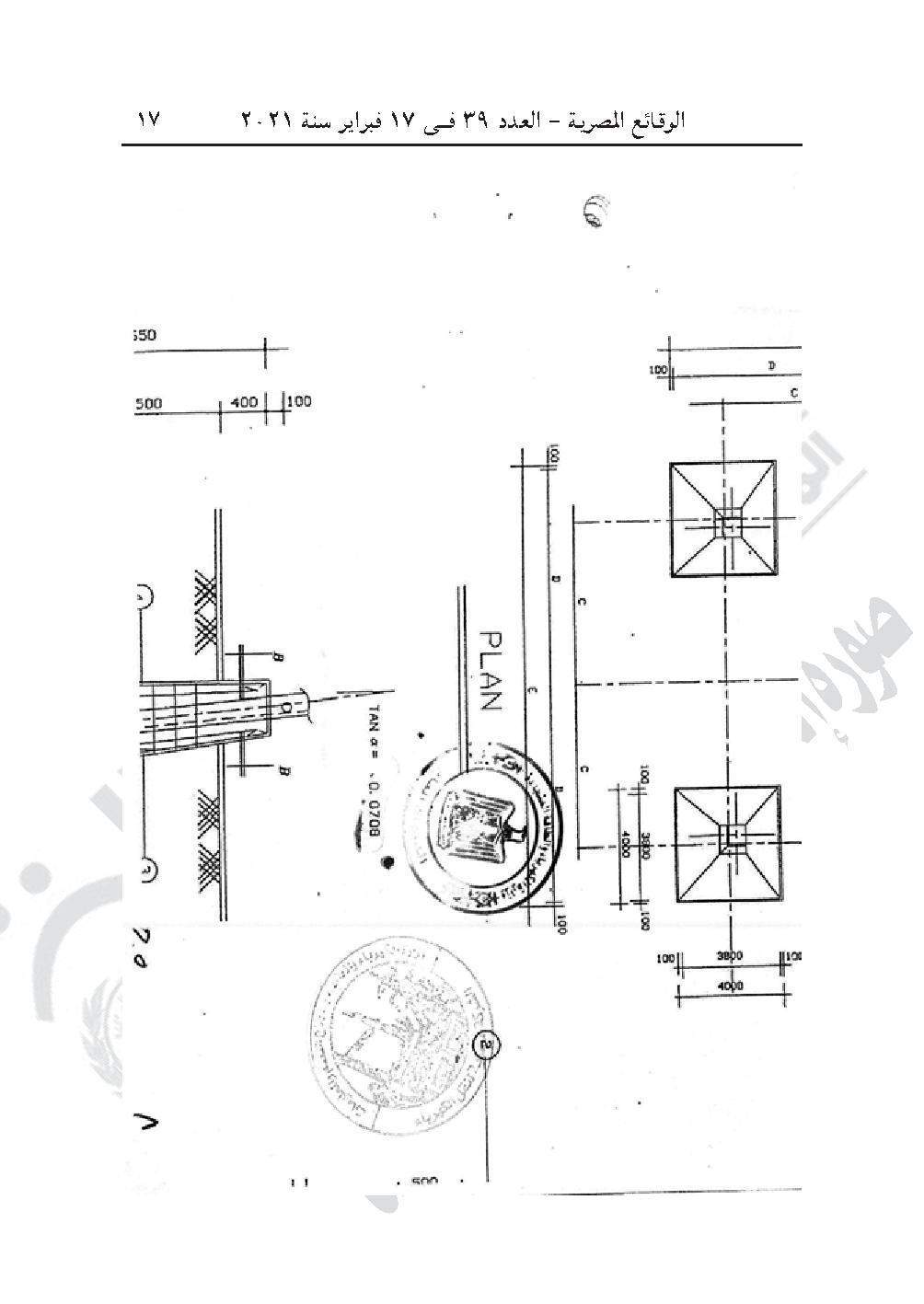
وينص القرار على تنفيذ وإقامة وشد الموصلات للأبراح أرقام (5 ، 19 ، 20 ، 21) للخط الكهربائى سلوا/ شرق إدفو جهد (66) كيلو فولت بعدد (64) برجًا بطول (20) كم بمركز إدفو البلد - محافظة أسوان بالقوة الجبرية وذلك على الأرض التى يمر بها هذا الخط طبقًا للمسار الموضح بالخرائط المساحية وكشف الملاك الظاهرين والرسومات الهندسية.























ويكون التنفيذ على أعمال حفر القواعد للأبراج. أعمال إحلال التربة للأبراج . أعمال الخرسانة العادية والمسلحة للأبراج. أعمال العزل بالبيوتامين للأبراج. تركيب الحديد العلوى للأبراج. أعمال شد الموصلات وسلك أرضى وتركيب العازلات للأبراج.
وينص القرار على تنفيذ وإقامة وشد الموصلات للأبراح أرقام (5 ، 19 ، 20 ، 21) للخط الكهربائى سلوا/ شرق إدفو جهد (66) كيلو فولت بعدد (64) برجًا بطول (20) كم بمركز إدفو البلد - محافظة أسوان بالقوة الجبرية وذلك على الأرض التى يمر بها هذا الخط طبقًا للمسار الموضح بالخرائط المساحية وكشف الملاك الظاهرين والرسومات الهندسية.























ويكون التنفيذ على أعمال حفر القواعد للأبراج. أعمال إحلال التربة للأبراج . أعمال الخرسانة العادية والمسلحة للأبراج. أعمال العزل بالبيوتامين للأبراج. تركيب الحديد العلوى للأبراج. أعمال شد الموصلات وسلك أرضى وتركيب العازلات للأبراج.
